Do you have an application where you need to transfer large heavy cylindrical objects inside or outside your facility? Are you concerned about the loading on the floor? Are you in the market for a tough and durable trailer? Have you had an experience where other manufacturer's trailers just didn't hold up?
If so check out XT3327 below, and see how it filled our customer's material handling needs. Hamilton has years of experience and expertise in the design and manufacturing of custom material handling carts and trailers.


Statement of Understanding -
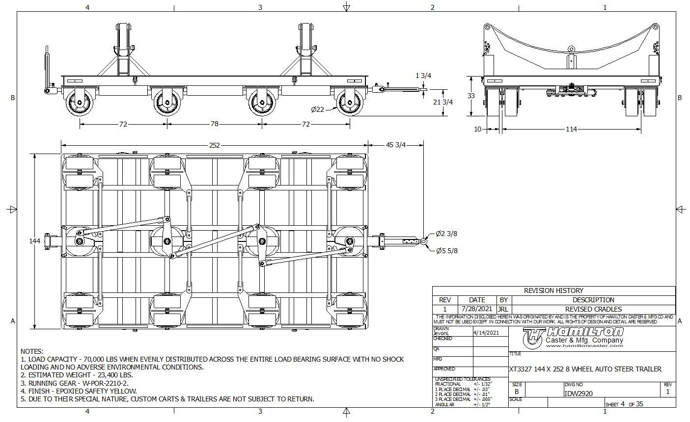
XT3327 is an 8 wheel automotive steer trailer that is designed to handle large heavy cylindrical shaped objects weighing as much a 70,000 lbs
The nylon sling cradle gives the operator adjustability when loading the payload. The nylon is flexible and will conform to the shape of the payload. The Nylon also won't scratch, mar or otherwise damage the cargo.
The 8 wheel autosteer running gear helps spread the load over a large area and helps the customer reduce floor loading to meet their target of 300psi.

Cart Specifications -
Hamilton model number - XT3327
Frame Construction - Steel deck, structural steel frame
Load Support - (2) Adjustable Nylon sling cradles
Steering Type - Auto-Steer Trailer
Deck Size - 144" x 252"
Deck Height - 33".
Capacity - 70,000 lbs
Trailer Weight – 23,400 lbs
Running Gear – (16) W-POR-2210-2

Lifting Points – (2) Fork pockets designed for lifting an empty trailer
Coupler – Loop type towing tongues, with forged steel loop, mounted at both ends of threail.
Finish – Safety Yellow Epoxy
Stencil - Load capacity stenciled on both side rails
Safety – ODOT Conspicuity Tape for increased visibility


Customer Profile -
The customer is in the Energy Industry, and is involved in cleanup / remediation activities at Nuclear Facilities.



Social Media Presence of Hamilton Carts and Trailers highlighting XT3327